
BM3 Series Cycloid Hydraulic Motor
Usage and features
BM3 series cycloid hydraulic motor is with the features such as compact structure, small size, light weight, big torque, and good suitability etc. It is widely used on the hoisting, mining, construction, chemical, agriculuture, fishing machineries, etc.
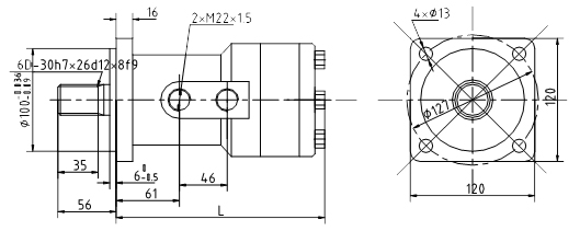
Dimensions
Specification
|
Type |
Displacement
(mL/r) |
Pressure (MPa) |
Rotation(r/min) |
Torque(N.m) |
Weight(kg) |
Length(mm) |
|
Nominal |
Max. |
Nominal |
Max. |
Nominal |
Max. |
|
BM3-100 |
100 |
10 |
12.5 |
400 |
500 |
120 |
150 |
9.8 |
239 |
|
BM3-160 |
160 |
250 |
315 |
190 |
240 |
10.4 |
247 |
|
BM3-200 |
200 |
8 |
10 |
200 |
250 |
190 |
240 |
11 |
252 |
|
BM3-250 |
250 |
160 |
200 |
240 |
300 |
11.6 |
258 |
|
BM3-315 |
315 |
125 |
160 |
300 |
375 |
12.1 |
268 |