
YMC-160 Cycloid Hydraulic Motor
Applicaltion and features
YMC-160 cycloid hydraulic motor is with features such as compact structure, small weight, light weight, big torque and good sutablity, it is mainly used in the sanitary machineries.
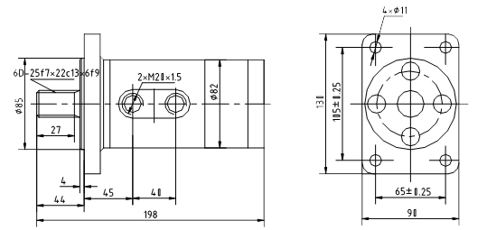
Dimensions
Specification
|
Type |
Displacement(mL/r) |
Working pressure(MPa) |
Output torque(N.m) |
Rotation(r/min) |
|
Nominal |
Max. |
Nominal |
Nominal |
Max. |
|
YMC-160 |
160 |
10 |
12.5 |
163 |
22 |
300 |