
YZM Axial Plunger Motor
Applications and features
YZM axial punger motor is mainly used in the hydraulic system of the hoisting, mining, construction as well as chemical machinery.
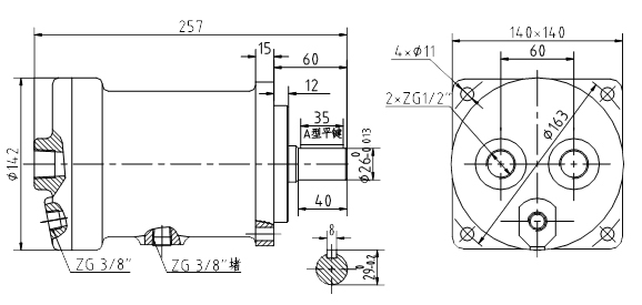
Dimensions
Specification
|
Type |
Displacement(mL/r) |
Nominal pressrue(MPa) |
Max. pressure(MPa) |
Rotation(r/min) |
|
YZM |
30 |
11 |
14 |
0-1500 |