
BM-D Sereis Cycloid Hydraulic Motor
Applications and features
BM-D series cycloid hydraulic motor is a kind of interior meshing cycloid gear motor, small, low-speed, high torque. Its structure is simple, good performance at low speed, short-term overload capacity. Compared with the same displacement hydraulic motor, it is with the features of small size, light weight, large output torque. Widely used in engineering machinery, agricultural machinery, transportation, oil and mining sectors, a variety of mechanical equipment such as hydraulic machines, conveyors, harvesters, tubing clamp, and robot.
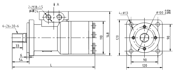
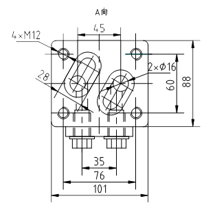
Dimensions
Specification
|
Type |
Displacement(mL/r) |
Working pressure(MPa) |
Output torque(N.m) |
Rotation (r/min) |
L |
|
Nominal |
Max. |
Nominal |
Nominal |
Max. |
|
BM-D200 |
200 |
10 |
12.5 |
238 |
320 |
400 |
242 |
|
BM-D250 |
250 |
298 |
260 |
320 |
248 |
|
BM-D315 |
315 |
376 |
200 |
250 |
257 |
|
BM-D400 |
400 |
477 |
160 |
200 |
267 |