|
|
|

BCPϵX݆ͱ
܅
|
̖ |
Q
(mL/r) |
(MPa) |
D(r/min) |
ݷeЧ
% |
Ч
% |
|
~ |
|
~ |
|
|
BCP-4 |
4 |
25 |
30 |
3000 |
3500 |
90 |
81 |
|
BCP-6 |
6 |
|
BCP-8 |
8 |
2500 |
3000 |
|
BCP-10 |
10 |
|
BCP-16 |
16 |
2000 |
2500 |
|
BCP-20 |
20 |
20 |
25 |
2000 |
2500 |
|
BCP-22 |
22 |
18 |
23 |
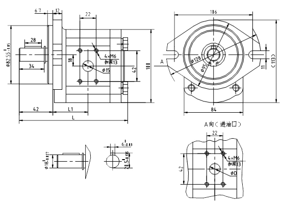
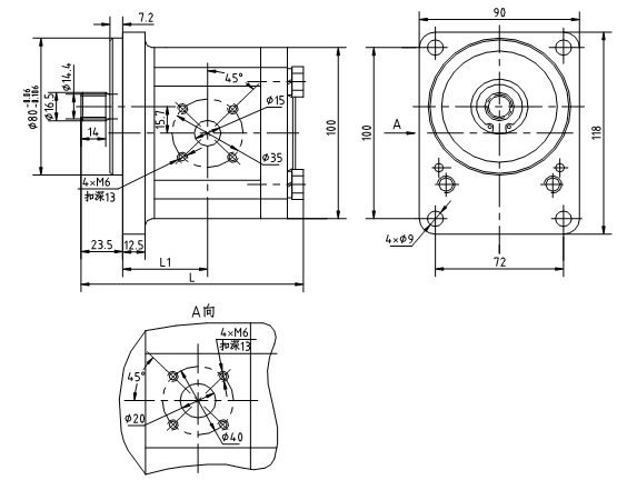
ΈD
 ΈD
 γߴ
|
̖
ߴ |
BCP-4 |
BCP-6 |
BCP-8 |
BCP-10 |
BCP-16 |
BCP-20 |
BCP-22 |
|
H |
42.15 |
43.9 |
45.4 |
47.8 |
52.1 |
54.4 |
56.4 |
|
L |
131 |
135 |
138 |
142 |
151 |
156 |
160 |
|
D |
15 |
15 |
20 |
20 |
20 |
20 |
20 |
u_IżXҪ
|
5 |
ȻIX |
Lw |
3.3210+0.048 |
|
4 |
׃λϵ |
|
0.375 |
|
3 |
|
|
300 |
|
2 |
X |
z |
9 |
|
1 |
ģ |
m |
1.6 |
|
̖ |
Q |
̖ |
ֵ |
|
|
|
|