|
|
|

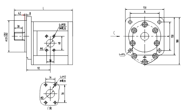
CBT-FϵX݆ͱ
γߴ
|
̖(ho) |
L |
H |
C |
X |
D |
d |
d |
|
CBT-F525 |
177 |
42 |
66.5 |
8 |
65 |
25 |
16 |
|
CBT-F532 |
177 |
42 |
66.5 |
8 |
65 |
25 |
16 |
|
CBT-F550 |
198 |
44 |
75 |
8 |
76 |
32 |
25 |
|
CBT-F563 |
218 |
44 |
85 |
10 |
76 |
32 |
25 |
ΈD
γߴ
܅(sh)
|
̖(ho) |
Q(mL/r) |
(MPa) |
D(zhun)(r/min) |
ݷe
Ч% |
|
|
~ |
|
~ |
|
|
CBT-F525 |
25 |
20 |
25 |
2000 |
2500 |
90 |
|
CBT-F532 |
32 |
20 |
25 |
2000 |
2500 |
|
CBT-F550 |
50 |
20 |
25 |
2000 |
2500 |
|
CBT-F563 |
63 |
20 |
25 |
2000 |
2500 |
|
CBT-F580 |
80 |
20 |
25 |
2000 |
2500 |
|
CBT-F5100 |
100 |
20 |
25 |
2000 |
2500 |
|
|
|
|