|
|
|

CBT-EϵX݆ͱ
ΈD
Sʽ
ƽI λI
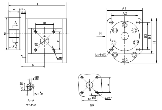
γߴ
|
̖
̖ |
L |
L1 |
A |
d |
X |
D |
|
CBT-E525 |
162 |
65.5 |
42 |
25 |
10 |
65 |
|
CBT-E532 |
162 |
65.5 |
42 |
25 |
10 |
65 |
|
CBT-E550 |
175 |
74.5 |
43.5 |
30 |
10 |
76 |
ΈD
γߴ
|
̖ |
L |
L1 |
L2 |
L3 |
A1 |
A2 |
B1 |
B2 |
C |
H |
D |
|
CBT-E563 |
199 |
42 |
45 |
5 |
130 |
110 |
106 |
86 |
75 |
148 |
90 |
|
CBT-E580 |
237 |
30 |
42 |
6.5 |
150 |
113 |
150 |
113 |
94 |
188 |
125 |
|
̖ |
L4 |
C1 |
C2 |
D1 |
D2 |
d1 |
d2 |
d3 |
T1 |
T2 |
ע |
|
CBT-E563 |
16 |
60 |
52 |
30 |
26 |
32 |
25 |
11 |
10 |
10 |
|
|
CBT-E580 |
18.5 |
70 |
60 |
36 |
30 |
34 |
31.5 |
14 |
12 |
10 |
I_I
15z2m30p7d |
܅
|
̖ |
QmL/r |
MPa |
D٣r/min |
ݷeЧ% |
|
~ |
|
~ |
|
|
CBT-E525 |
25 |
16 |
20 |
1500 |
2000 |
90 |
|
CBT-E532 |
32 |
16 |
20 |
1500 |
2000 |
|
CBT-E550 |
50 |
16 |
20 |
1500 |
2000 |
|
CBT-E563 |
63 |
16 |
20 |
2000 |
2500 |
|
CBT-E580 |
80 |
16 |
20 |
2000 |
2500 |
|
|
|
|